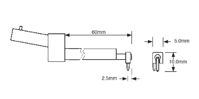
54-265-020-0. PAIR 2"/50MM ARMS

Factory Stock

Hill Inventory: 0
To view pricing and complete purchase you must login to an account.

PAIR 2"/50MM ARMS


Collections: Measuring Tools

BrandFowler
Type

Type: Measuring Tools


Pin It

Related Items