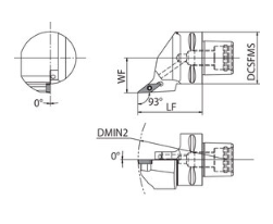
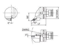
KPC4SVJBL2705011A

Factory Stock

Hill Inventory: 0
To view pricing and complete purchase you must login to an account.

Kyocera KPC4SVJBL2705011A



Pin It

Related Items