JJ00119

Factory Stock

Hill Inventory: 0
To view pricing and complete purchase you must login to an account.

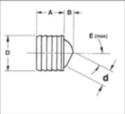
8mm


Collections: Unsorted

Type: unsorted


Pin It

Related Items