JJ07050

Factory Stock

Hill Inventory: 0
To view pricing and complete purchase you must login to an account.

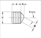
1/4" DIA.


Collections: Unsorted

Type: unsorted


Pin It

Related Items